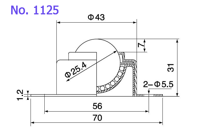
11
LONGWEI
HS Code: 8431390000
즉각적인 옴니 - 방향 운동: 하중이 어떤 방향 으로든 자유롭게 미끄러지도록 허용하는 볼 전달 유닛은 유연성과 인체 공학에서 고정 또는 방향 컨베이어보다 성능이 우수합니다.
무거운 짐 아래 내구성: 산업 환경을 위해 구축 된이 장치는 실질적인 하중을 유지하며, 충격이 많고 먼지가 많은 조건을 위해 설계된 대형 모델로 실질적인 하중을 유지합니다.
낮은 유지 보수, 높은 처리량: 내장 씰 및 자체 청소 기능을 사용하면 이러한 볼 전송 장치는 최소한의 다운 타임과 안정적인 성능을 요구하는 워크 플로에 이상적입니다.
우리의 볼 전송 장치 바닥 간극을 극대화하면서 탁월한 부하 용량, 즉 무거운 의무적 재료 처리 시스템을 제공하는 소형의 저조파 하우징으로 설계됩니다.
각 볼 이송 유닛은로드 볼 주변에 정밀 엔지니어링 나이프 에지 씰을 통합합니다. 이 설계는 오염을 최소화하고 매끄럽고 오래 지속되는 전 방향 작동을 보장합니다. 펠트 씰 표준이 없습니다.
통합 된 먼지 출구 구멍이 특징 인 볼 전송 장치는 사용 중에 잔해와 그릿을 적극적으로 배출합니다. 이렇게하면 내부 베어링 표면을 청정하고 유지 보수 간격을 연장합니다.
베이스는 안전한 드릴 홀 장착을 위해 설계되었으며 볼트 또는 나사를 통해 쉽고 강력한 설치를 가능하게합니다. 권장 반경과 유닛 시트가 완벽하게 장착 된 구멍 만 장착하십시오.
크기 옵션 :
다양한 산업 요구 사항을 충족시키기 위해 포괄적 인 차원으로 제공되어 사용자가 특정 기계 및 운영 설정에 가장 적합한 크기를 선택할 수 있습니다.

| 참조 번호. | 재료 | 로딩 용량 (kg) | 무게 (g) | |
| 제안하다 | 맥스. | |||
| 1112 | CS/CS | 7 | 10 | 25 |
| PL/CS | 3 | 5 | 21 | |
| SS/SS | 5 | 8 | 25 | |
| pl/ss | 3 | 50 | 21 | |

| 참조 번호. | 재료 | 로딩 용량 (kg) | 무게 (g) | |
| 제안하다 | 맥스. | |||
| 1115 | CS/CS | 10 | 15 | 40 |
| PL/CS | 5 | 10 | 30 | |
| SS/SS | 8 | 10 | 40 | |
| pl/ss | 5 | 10 | 30 | |

| 참조 번호. | 재료 | 로딩 용량 (kg) | 무게 (g) | |
| 제안하다 | 맥스. | |||
| 1119 | CS/CS | 20 | 25 | 70 |
| PL/CS | 10 | 15 | 35 | |
| SS/SS | 16 | 20 | 70 | |
| pl/ss | 10 | 15 | 35 | |

| 참조 번호. | 재료 | 로딩 용량 (kg) | 무게 (g) | |
| 제안하다 | 맥스. | |||
| 1125 | CS/CS | 25 | 30 | 140 |
| PL/CS | 12 | 18 | 80 | |
| SS/SS | 15 | 20 | 140 | |
| pl/ss | 12 | 18 | 80 | |

| 참조 번호. | 재료 | 로딩 용량 (kg) | 무게 (g) | |
| 제안하다 | 맥스. | |||
| 1130 | CS/CS | 40 | 50 | 230 |
| PL/CS | 20 | 25 | 135 | |
| SS/SS | 30 | 40 | 230 | |
| pl/ss | 20 | 25 | 135 | |
우리의 볼 이송 장치 다양한 대체 크기와 재료를 제공합니다. 전체 스테인레스 스틸 #304 캐스터 구성 요소의 크기는 다양합니다. 여러 응용 프로그램. 볼 전달 장치 괄호, 일부 아연 도금, 다양한 크기와 장착 홀 디자인으로 제공됩니다. 베어링 스틸 강철 주택 및 강철 주택 구성 요소가있는 나일론 볼도 크기 및 재료 옵션을 힌트합니다. 이러한 대안은 가능합니다 특정 요구에 맞는 완벽한 볼 전송 장치를 찾으십시오.

베어링 스틸 볼 : 고속 응용 분야에서도 우수한 경도와 고정밀 표면 마감 처리가 특징이므로 최소한의 마찰 및 장기 신뢰성을 보장합니다.
강철 주택 : 고급 표면 처리 과정을 통해 강화 된 부식 저항을 제공하는 강력성과 미적으로 유쾌한 외관을 결합합니다.
강철 주택은 설치 및 유지 관리가 쉽게 설계되었으며 기계의 시각적 매력을 향상시키는 세련된 외관으로 설계되었습니다.
볼 전달 장치는 또한 우수한 에너지 효율 및 소음 감소 특성을 제공하여 조용하고 효율적인 작업 환경에 기여합니다.
공간 제한된 응용 프로그램에 적합한 소형 설계와 함께 다양한 하중 용량 및 운영 요구 사항에 맞게 조정 된 다양한 크기로 제공됩니다.
정밀 엔지니어링 : 정밀 기기 및 자동차 부품 제조와 같이 높은 정확도와 최소 마모가 필요한 환경에 사용하기에 이상적입니다.
산업 자동화 : 일관된 성능과 내구성이 중요한 자동 조립 라인에 적합하여 유지 보수 요구가 줄어든 완벽한 작동을 보장합니다.
대형 자재 취급 : 가혹한 조건에서의 신뢰성이 필수적인 스틸 밀 및 파운드리와 같은 무거운 하중의 빈번한 움직임과 관련된 응용 분야에 적합합니다.
기존의 볼 이송 장치에 대한 비용 효율적이고 고성능 대안으로 경쟁력있는 가격대에서 탁월한 내구성과 신뢰성을 제공합니다.
탁월한 품질과 다양한 디자인 으로이 제품은 다양한 산업의 까다로운 요구를 충족시키면서 상당한 돈을 제공 할 수 있습니다.

풀 스테인레스 스틸 #304 건축 : 뛰어난 기계적 특성과 탁월한 부식성을 결합하여 습도가 높거나 화학 물질에 대한 노출을 포함한 가혹한 환경에서 사용하기에 적합합니다.
고온 성능 : 온도가 높은 환경에서 효과적으로 작동하여 다른 재료가 실패 할 수있는 구조적 무결성과 기능을 유지할 수 있습니다.
쉽게 청소하고 소독 할 수 있습니다. 스테인레스 스틸의 부드럽고 비 다공성 표면은 식품 가공 및 제약 제조와 같은 높은 기준의 위생이 필요한 응용 분야에 이상적입니다.
식음료 산업 : 식품 산 및 청소제의 부식에 대한 청결 및 내성이 필수적 인 컨베이어 시스템 및 재료 취급 장비에 사용하기에 적합합니다.
제약 제조 : 오염을 최소화 해야하는 응용 분야에 이상적이며 장비는 빈번하고 엄격한 청소 및 소독 과정을 견딜 수 있어야합니다.
야외 및 산업 환경 : 요소 또는 부식성 물질에 노출되는 것이 중요합니다.
표준 장착 하드웨어로 쉽게 설치할 수 있도록 설계되어 설정 시간과 복잡성을 줄입니다.
정기적 인 청소는 종종 성능과 수명을 유지하기에 충분한 유지 보수가 필요합니다.
높은 수준의 재료 처리 솔루션이 필요한 산업에 대한 프리미엄 신뢰할 수있는 선택으로 내구성, 위생 및 대체 재료와 일치하기 어려운 성능의 조합을 제공합니다.
다재다능한 디자인과 우수한 재료 특성을 갖춘이 304 스테인리스 스틸 볼 트랜스퍼 유닛은 장기 신뢰성과 최소한의 다운 타임을 보장하면서 가장 까다로운 산업 및 상업용 응용 프로그램을 충족 할 수 있습니다.

나일론 볼 : 탁월한 내구성을 낮은 마찰 계수와 결합하여 부드럽고 효율적인 롤링 동작을 가능하게합니다. 높은 하중 기능은 무거운 하중에서도 안정적인 성능을 보장합니다.
강철 주택 : 강력한 구조적 무결성과 우수한 부식 저항을 제공하여 내부 메커니즘을 보호하고의 수명을 연장합니다. 볼 전송 장치.
산업 자동화 : 정확하고 신뢰할 수있는 재료 전송이 중요한 자동화 된 생산 라인에 사용하기에 적합하여 자동화 시스템에 원활한 통합을 보장합니다.
정밀 계측 : 민감한 전자 구성 요소의 조립과 같은 섬세한 처리 및 정확한 움직임이 필요한 응용 프로그램에 이상적입니다.
물류 및 창고 : 컨베이어 시스템 및 자재 취급 장비의 효율성을 향상시켜 바쁜 창고 환경에서 상품의 원활한 운송을 용이하게합니다.
