
이 제품은 전동 롤러 컨베이어 시스템의 핵심 구동 부품입니다. 강철 스프로킷을 컨베이어 롤러의 축단과 고강도, 고정밀도로 통합한 기능 모듈입니다. 핵심 기능은 구동 체인에 의해 전달된 동력을 롤러의 회전 운동으로 효율적이고 안정적으로 변환하여 컨베이어 벨트를 구동하거나 재료를 직접 추진하는 것입니다.

강철 스프로킷 및 튜브 용접 공정을 사용하여 롤러는 이제 더 많은 토크를 전달할 수 있으며 무거운 하중의 팔레트를 운반할 수 있습니다. 정밀 볼 베어링 유닛은 스틸 하우징에 충격에 의해 단단하고 견고하게 고정되므로 폴리머 베어링 유닛보다 더 많은 무게를 지탱할 수 있습니다.
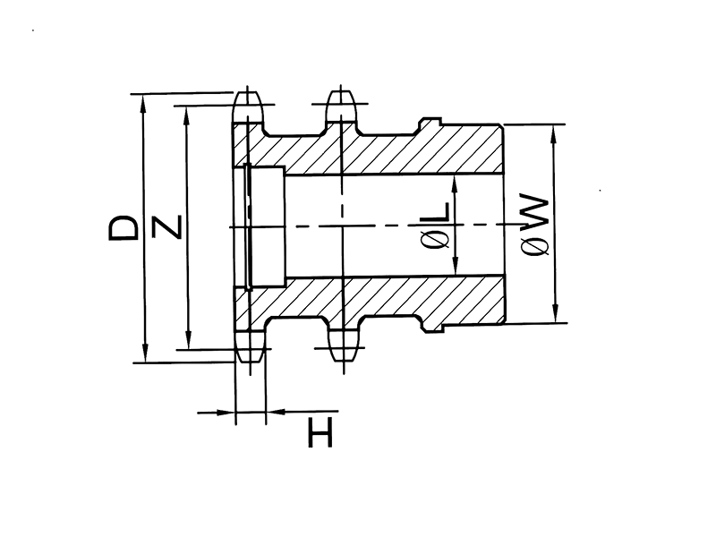
| 튜브 아웃 직경 | 튜브 두께 | 샤프트 직경 | 스프로킷 모델 | 재료 | 표면 처리 |
| Φ38 | 1.2/1.5/2.0 | Φ12/Φ15 | 06B/08B | #45 강철, SS304 | 경화, 산화 |
| Φ50 | 1.2/1.5/2.0 | Φ12/Φ15 | 06B/08B | #45 강철, SS304 | 경화, 산화 |
| Φ60 | 1.5/2.0/2.5/3.0 | Φ12/Φ15/Φ20 | 08B | #45 강철, SS304 | 경화, 산화 |
| Φ76 | 2.0/2.5/3.0/3.5 | Φ12/Φ15/Φ20/Φ25 | 08B/10A | #45 강철, SS304 | 경화, 산화 |
| Φ89 | 3.0/3.5/4.0 | Φ12/Φ15/Φ20/Φ25 | 10A | #45 강철, SS304 | 경화, 산화 |
참고: 단열 또는 복열 스프로킷 조립이 가능합니다.
이 어셈블리는 산업용 운반 응용 분야를 위해 특별히 설계된 표준화되거나 맞춤형 연결 장치입니다. 일반적인 구조는 다음과 같습니다.
강철 스프로킷: 어셈블리의 핵심 특성 구성 요소입니다. 이는 일반적으로 단조 및 기계 가공을 통해 고품질 탄소강 또는 합금강(예: 45# 강철, 40Cr)으로 만들어집니다. 치형은 정밀하게 계산되고(예: ANSI 또는 ISO 표준 준수) 열처리(담금질 및 템퍼링)를 거쳐 치면에 높은 경도(HRC 40-55)와 우수한 내마모성 및 내충격성을 부여합니다.
롤러 연결 끝: 롤러 샤프트 끝의 설계에 따라 주요 연결 방법은 다음과 같습니다.
키 연결: 가장 전통적이고 신뢰할 수 있는 방법입니다. 키홈은 스프로킷 허브에 가공되어 있으며 롤러 샤프트의 해당 키홈과 맞물리는 평행 키 또는 우드러프 키를 통해 토크가 전달됩니다. 고정 나사는 추가적인 축 고정을 위해 자주 사용됩니다.
테이퍼 잠금(부싱) 연결: 보다 현대적인 키 없는 연결 방법입니다. 스프로킷 허브에는 이중 원추형 탄성 부싱과 일치하는 테이퍼 구멍이 있습니다. 고강도 볼트를 조이면 부싱이 반경 방향으로 팽창하여 스프로킷 허브와 롤러 샤프트 사이에 엄청난 정지 마찰이 발생합니다. 이는 높은 토크, 높은 동심도, 제로 백래시 연결을 달성하고 작은 가공 공차를 보상할 수 있습니다.
플랜지 연결: 견고한 용도의 경우 스프로킷을 롤러 끝면에 용접된 구동 플랜지에 직접 볼트로 고정할 수 있습니다.
통합 설계: 일부 설계에서는 스프로킷이 베어링 하우징, 밀봉 구조 또는 완전한 롤러 엔드 캡과 통합되어 보다 쉽게 설치하고 유지 관리할 수 있는 "드라이브 엔드 어셈블리"를 형성합니다.

효율적인 동력 전달: 강철 스프로킷은 구동 체인(예: 롤러 체인)과 단단히 맞물려 높은 전달 효율과 최소한의 에너지 손실을 보장합니다.
높은 부하 용량 및 신뢰성: 강철 소재 및 열처리 공정을 통해 어셈블리는 시스템 시작-정지 주기 및 부하 변화로 인해 발생하는 충격 부하와 연속 교번 부하를 견딜 수 있습니다. 그 신뢰성은 플라스틱이나 주철 스프로킷보다 훨씬 뛰어납니다.
정밀한 동기화: 정밀한 치형 가공과 견고한 연결 방법은 여러 롤러 간의 동기화를 보장하며, 이는 재료 정렬 불량을 방지하고 원활한 컨베이어 라인 작동을 보장하는 데 중요합니다.
강력한 환경 적응성: 강철 구성 요소는 일반적으로 부식 방지 처리(아연 도금, 흑화, 페인팅) 기능을 갖추고 있어 먼지, 습도 및 가벼운 부식 조건과 같은 일반적인 공장 환경 요인을 견딜 수 있습니다.
긴 서비스 수명과 손쉬운 유지 관리: 뛰어난 내마모성으로 교체 주기가 크게 연장됩니다. 모듈식 설계를 통해 롤러 전체를 교체할 필요 없이 마모 시 스프로킷 자체만 교체할 수 있습니다.
이 어셈블리는 체인 구동을 활용하는 모든 운반 장비의 기본 구성 요소이며 다음 분야에서 널리 사용됩니다.
전동 롤러 컨베이어: 팔레트, 컨테이너 및 무거운 소포를 운반하는 데 사용됩니다.
슬랫/상단 체인 컨베이어: 구동축 끝의 스프로킷 어셈블리로 사용됩니다.
오버헤드 체인 컨베이어 시스템: 체인의 구동 스프로킷 어셈블리로 사용됩니다.
농업 및 건설 기계 운반 장치: 수확기 및 굴착기의 내부 운반 메커니즘 등.
포장 및 분류 라인: 안정적이고 신뢰할 수 있으며 속도 조절이 가능한 드라이브가 필요한 섹션입니다.

안정적인 동력 전달: 강철 소재와 강화 공정으로 동력 전달의 절대적인 신뢰성을 보장합니다.
강력한 내하중 용량: 중대형 연속 산업 작업에 적합합니다.
정확한 동기화: 컨베이어 라인에 있는 여러 구동 지점의 동기화된 동작을 보장합니다.
오래 지속되는 내구성: 높은 내마모성 설계로 수명 주기 유지 관리 비용이 절감됩니다.
유연한 호환성: 롤러 샤프트 직경, 체인 크기(예: 08B, 10A, 12A) 및 톱니 수를 기준으로 유연하게 선택하고 맞춤화할 수 있습니다.
선택할 때 컨베이어 롤러 및 구동 시스템과 일치해야 합니다. 주요 매개변수는 다음과 같습니다.
스프로킷 매개변수: 체인 크기(피치 결정), 톱니 수(속도 비율 및 맞물림 부드러움에 영향), 모델(단일 가닥/이중 가닥/중부하 작업용).
연결 매개변수: 보어 직경(롤러 샤프트 직경과 일치해야 함), 키 홈 치수 또는 부싱 사양.
성능 매개변수: 허용 토크, 적용 가능한 속도 범위.
설치 요구 사항: 스프로킷과 롤러 샤프트가 올바르게 정렬되었는지 확인하십시오. 모든 패스너(키, 부싱 볼트, 고정 나사)를 지정된 토크로 조입니다. "체인 상승" 또는 비정상적인 마모를 방지하려면 스프로킷 톱니와 구동 체인이 동일한 평면에 있는지 확인하십시오.
요약하면, 컨베이어 롤러 강철 스프로킷 어셈블리는 산업용 운반 분야의 "파워 조인트"입니다. 이는 표준 변속기 스프로킷과 롤러 샤프트의 공학적 통합을 나타냅니다. 견고하고 내구성이 뛰어나며 신뢰할 수 있는 특성을 갖춘 이 제품은 다양한 생산 및 물류 라인의 지속적이고 효율적인 운영을 보장하는 필수적인 핵심 기계 부품입니다.

이 제품은 전동 롤러 컨베이어 시스템의 핵심 구동 부품입니다. 강철 스프로킷을 컨베이어 롤러의 축단과 고강도, 고정밀도로 통합한 기능 모듈입니다. 핵심 기능은 구동 체인에 의해 전달된 동력을 롤러의 회전 운동으로 효율적이고 안정적으로 변환하여 컨베이어 벨트를 구동하거나 재료를 직접 추진하는 것입니다.

강철 스프로킷 및 튜브 용접 공정을 사용하여 롤러는 이제 더 많은 토크를 전달할 수 있으며 무거운 하중의 팔레트를 운반할 수 있습니다. 정밀 볼 베어링 유닛은 스틸 하우징에 충격에 의해 단단하고 견고하게 고정되므로 폴리머 베어링 유닛보다 더 많은 무게를 지탱할 수 있습니다.
| 튜브 아웃 직경 | 튜브 두께 | 샤프트 직경 | 스프로킷 모델 | 재료 | 표면 처리 |
| Φ38 | 1.2/1.5/2.0 | Φ12/Φ15 | 06B/08B | #45 강철, SS304 | 경화, 산화 |
| Φ50 | 1.2/1.5/2.0 | Φ12/Φ15 | 06B/08B | #45 강철, SS304 | 경화, 산화 |
| Φ60 | 1.5/2.0/2.5/3.0 | Φ12/Φ15/Φ20 | 08B | #45 강철, SS304 | 경화, 산화 |
| Φ76 | 2.0/2.5/3.0/3.5 | Φ12/Φ15/Φ20/Φ25 | 08B/10A | #45 강철, SS304 | 경화, 산화 |
| Φ89 | 3.0/3.5/4.0 | Φ12/Φ15/Φ20/Φ25 | 10A | #45 강철, SS304 | 경화, 산화 |
참고: 단열 또는 복열 스프로킷 조립이 가능합니다.
이 어셈블리는 산업용 운반 응용 분야를 위해 특별히 설계된 표준화되거나 맞춤형 연결 장치입니다. 일반적인 구조는 다음과 같습니다.
강철 스프로킷: 어셈블리의 핵심 특성 구성 요소입니다. 이는 일반적으로 단조 및 기계 가공을 통해 고품질 탄소강 또는 합금강(예: 45# 강철, 40Cr)으로 만들어집니다. 치형은 정밀하게 계산되고(예: ANSI 또는 ISO 표준 준수) 열처리(담금질 및 템퍼링)를 거쳐 치면에 높은 경도(HRC 40-55)와 우수한 내마모성 및 내충격성을 부여합니다.
롤러 연결 끝: 롤러 샤프트 끝의 설계에 따라 주요 연결 방법은 다음과 같습니다.
키 연결: 가장 전통적이고 신뢰할 수 있는 방법입니다. 키홈은 스프로킷 허브에 가공되어 있으며 롤러 샤프트의 해당 키홈과 맞물리는 평행 키 또는 우드러프 키를 통해 토크가 전달됩니다. 고정 나사는 추가적인 축 고정을 위해 자주 사용됩니다.
테이퍼 잠금(부싱) 연결: 보다 현대적인 키 없는 연결 방법입니다. 스프로킷 허브에는 이중 원추형 탄성 부싱과 일치하는 테이퍼 구멍이 있습니다. 고강도 볼트를 조이면 부싱이 반경 방향으로 팽창하여 스프로킷 허브와 롤러 샤프트 사이에 엄청난 정지 마찰이 발생합니다. 이는 높은 토크, 높은 동심도, 제로 백래시 연결을 달성하고 작은 가공 공차를 보상할 수 있습니다.
플랜지 연결: 견고한 용도의 경우 스프로킷을 롤러 끝면에 용접된 구동 플랜지에 직접 볼트로 고정할 수 있습니다.
통합 설계: 일부 설계에서는 스프로킷이 베어링 하우징, 밀봉 구조 또는 완전한 롤러 엔드 캡과 통합되어 보다 쉽게 설치하고 유지 관리할 수 있는 "드라이브 엔드 어셈블리"를 형성합니다.

효율적인 동력 전달: 강철 스프로킷은 구동 체인(예: 롤러 체인)과 단단히 맞물려 높은 전달 효율과 최소한의 에너지 손실을 보장합니다.
높은 부하 용량 및 신뢰성: 강철 소재 및 열처리 공정을 통해 어셈블리는 시스템 시작-정지 주기 및 부하 변화로 인해 발생하는 충격 부하와 연속 교번 부하를 견딜 수 있습니다. 그 신뢰성은 플라스틱이나 주철 스프로킷보다 훨씬 뛰어납니다.
정밀한 동기화: 정밀한 치형 가공과 견고한 연결 방법은 여러 롤러 간의 동기화를 보장하며, 이는 재료 정렬 불량을 방지하고 원활한 컨베이어 라인 작동을 보장하는 데 중요합니다.
강력한 환경 적응성: 강철 구성 요소는 일반적으로 부식 방지 처리(아연 도금, 흑화, 페인팅) 기능을 갖추고 있어 먼지, 습도 및 가벼운 부식 조건과 같은 일반적인 공장 환경 요인을 견딜 수 있습니다.
긴 서비스 수명과 손쉬운 유지 관리: 뛰어난 내마모성으로 교체 주기가 크게 연장됩니다. 모듈식 설계를 통해 롤러 전체를 교체할 필요 없이 마모 시 스프로킷 자체만 교체할 수 있습니다.
이 어셈블리는 체인 구동을 활용하는 모든 운반 장비의 기본 구성 요소이며 다음 분야에서 널리 사용됩니다.
전동 롤러 컨베이어: 팔레트, 컨테이너 및 무거운 소포를 운반하는 데 사용됩니다.
슬랫/상단 체인 컨베이어: 구동축 끝의 스프로킷 어셈블리로 사용됩니다.
오버헤드 체인 컨베이어 시스템: 체인의 구동 스프로킷 어셈블리로 사용됩니다.
농업 및 건설 기계 운반 장치: 수확기 및 굴착기의 내부 운반 메커니즘 등.
포장 및 분류 라인: 안정적이고 신뢰할 수 있으며 속도 조절이 가능한 드라이브가 필요한 섹션입니다.

안정적인 동력 전달: 강철 소재와 강화 공정으로 동력 전달의 절대적인 신뢰성을 보장합니다.
강력한 내하중 용량: 중대형 연속 산업 작업에 적합합니다.
정확한 동기화: 컨베이어 라인에 있는 여러 구동 지점의 동기화된 동작을 보장합니다.
오래 지속되는 내구성: 높은 내마모성 설계로 수명 주기 유지 관리 비용이 절감됩니다.
유연한 호환성: 롤러 샤프트 직경, 체인 크기(예: 08B, 10A, 12A) 및 톱니 수를 기준으로 유연하게 선택하고 맞춤화할 수 있습니다.
선택할 때 컨베이어 롤러 및 구동 시스템과 일치해야 합니다. 주요 매개변수는 다음과 같습니다.
스프로킷 매개변수: 체인 크기(피치 결정), 톱니 수(속도 비율 및 맞물림 부드러움에 영향), 모델(단일 가닥/이중 가닥/중부하 작업용).
연결 매개변수: 보어 직경(롤러 샤프트 직경과 일치해야 함), 키 홈 치수 또는 부싱 사양.
성능 매개변수: 허용 토크, 적용 가능한 속도 범위.
설치 요구 사항: 스프로킷과 롤러 샤프트가 올바르게 정렬되었는지 확인하십시오. 모든 패스너(키, 부싱 볼트, 고정 나사)를 지정된 토크로 조입니다. "체인 상승" 또는 비정상적인 마모를 방지하려면 스프로킷 톱니와 구동 체인이 동일한 평면에 있는지 확인하십시오.
요약하면, 컨베이어 롤러 강철 스프로킷 어셈블리는 산업용 운반 분야의 "파워 조인트"입니다. 이는 표준 변속기 스프로킷과 롤러 샤프트의 공학적 통합을 나타냅니다. 견고하고 내구성이 뛰어나며 신뢰할 수 있는 특성을 갖춘 이 제품은 다양한 생산 및 물류 라인의 지속적이고 효율적인 운영을 보장하는 필수적인 핵심 기계 부품입니다.