컨베이어 롤러 축적 스틸 스크로크 세트 어셈블리
컨베이어 롤러 축적을위한 스틸 스프로킷, c폴리머 스프로킷에 대한 작곡, 스틸 스프로킷은 내구성이 뛰어납니다. 중합체 베어링 하우징 또는 강철 베어링 하우징과 일치 할 수 있습니다. 다른 롤러 작업 조건에 대한 다양한 치수 및 재료.
명세서
| 직경의 튜브 | 튜브 두께 | 샤프트 직경 | 스프로킷 모델 | 재료 | 표면 처리 |
| φ50 | 1.2/1.5/2.0 | φ12/φ15 | 06B/08B | #45 스틸, SS304 | 경화, 산화 |
| φ60 | 1.5/2.0/2.5/3.0 | φ12/φ15/φ20 | 08b | #45 스틸, SS304 | 경화, 산화 |
| φ76 | 2.0/2.5/3.0/3.5 | φ12/φ15/φ20/φ25 | 08B/10A | #45 스틸, SS304 | 경화, 산화 |
참고 : 단일 줄 또는 이중 줄 스프로킷 어셈블리는 편안합니다.
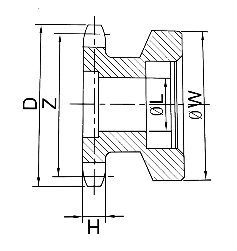
2D 도면

이미지


응용 프로그램
