RONWIN
산업용 동력 전달 및 운반 분야에서는 장비 안정성과 내구성이 생산 효율성을 보장하는 데 핵심입니다. 우리는 컨베이어 롤러용 강철 베어링 엔드 캡 어셈블리를 선보이게 된 것을 자랑스럽게 생각합니다. 강철 롤러를 사용하는 까다로운 응용 분야를 위해 특별히 설계된 이 제품은 플라스틱 베어링 장치를 대체하는 이상적인 솔루션으로 비교할 수 없는 견고성과 폭넓은 적용 가능성을 제공합니다.
이 제품은 세 가지 핵심 구성 요소로 정밀하게 구성된 즉시 설치 가능한 완전한 베어링 솔루션입니다.
각인된 강철 하우징: 고강도 강판으로 제작되어 구조적으로 견고하며 충격과 변형에 효과적으로 저항합니다.
밀봉된 엔드 캡: 먼지와 오염물질의 유입을 효과적으로 방지하여 내부 베어링의 수명을 연장합니다.
정밀 볼 베어링: 롤러의 부드럽고 저소음, 저마찰 회전을 보장하여 뛰어난 회전 정확도를 제공합니다.
전체가 강철로 구성된 구조는 매우 높은 기계적 강도를 제공하므로 플라스틱 베어링 유닛보다 훨씬 더 큰 방사형 및 축방향 하중을 견딜 수 있습니다. 지속적으로 무거운 하중을 받거나 충격과 진동이 있는 불가피한 환경에서도 안정성을 유지하여 하우징 고장으로 인한 가동 중지 시간을 효과적으로 방지합니다.
견고한 강철 하우징과 정밀한 내부 볼 베어링 덕분에 더 무거운 하중을 처리하도록 설계되었습니다. 견고한 컨베이어 라인과 다양한 전동 롤러 적용 분야의 자재 취급 요구 사항을 손쉽게 충족하여 안정적인 지원을 제공합니다.
강철 소재는 플라스틱에 비해 온도 변화에 훨씬 덜 민감합니다. 주변 온도가 높거나 낮을 때 모두 안정적인 성능을 유지하며, 플라스틱 베어링이 부드러워지거나 부서지기 쉬운 다양한 극한 조건에 적합하여 장비 적용 범위가 확장됩니다.
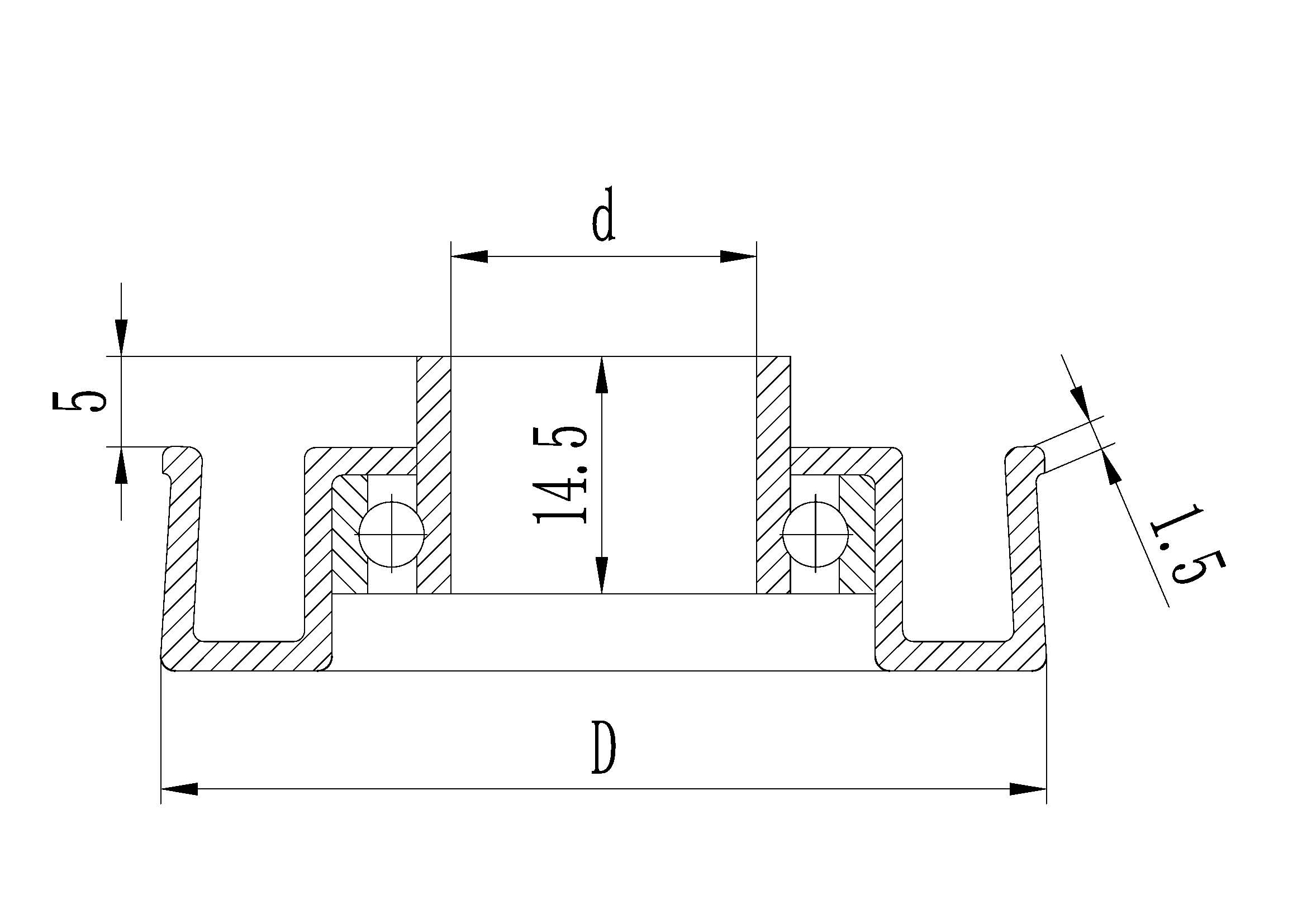
이 베어링 유닛은 강철 롤러에 일반적으로 사용되는 두 가지 산업 사양과 완벽하게 호환되도록 세심하게 설계되어 유연한 구성 옵션을 제공합니다.
2D 도면

롤러 튜브 벽 두께와 일치하는 샤프트는 아래 사양 차트와 같습니다.
| 튜브 외경(mm) | 튜브 벽 두께 (mm) | 샤프트 직경 (mm) | 재료 |
| Φ50 | 1.2/1.5/2.0 | Φ12/Φ15 | 탄소강, 스테인레스 스틸 |
| Φ57 | 1.5/2.0/2.5 | Φ12/Φ15 | 탄소강, 스테인레스 스틸 |
참고: 다양한 설계 요구 사항을 충족하기 위해 다른 사양도 제공됩니다.
고강도 벨트 컨베이어, 롤러 컨베이어.
창고 및 물류 분류 시스템.
농업 기계, 인쇄 장비, 포장 기계.
고하중, 장수명 롤러를 요구하는 각종 산업장비
무게, 충격, 온도 등 응용 분야가 플라스틱 베어링의 한계를 초과하는 경우 스틸 베어링 유닛이 최적의 선택입니다. 이는 단순한 구성 요소가 아니라 장비의 지속적인 작동, 유지 관리 감소, 전반적인 신뢰성 향상**에 대한 투자입니다.
파괴할 수 없는 강력한 성능으로 핵심 장비를 강화하려면 지금 스틸 베어링 유닛을 선택하십시오!
참고 사항: 설치하기 전에 롤러 벽 두께가 충분한 지지 강도와 나사 결합을 보장하기 위한 요구 사항을 충족하는지 확인하십시오.
이미지



산업용 동력 전달 및 운반 분야에서는 장비 안정성과 내구성이 생산 효율성을 보장하는 데 핵심입니다. 우리는 컨베이어 롤러용 강철 베어링 엔드 캡 어셈블리를 선보이게 된 것을 자랑스럽게 생각합니다. 강철 롤러를 사용하는 까다로운 응용 분야를 위해 특별히 설계된 이 제품은 플라스틱 베어링 장치를 대체하는 이상적인 솔루션으로 비교할 수 없는 견고성과 폭넓은 적용 가능성을 제공합니다.
이 제품은 세 가지 핵심 구성 요소로 정밀하게 구성된 즉시 설치 가능한 완전한 베어링 솔루션입니다.
각인된 강철 하우징: 고강도 강판으로 제작되어 구조적으로 견고하며 충격과 변형에 효과적으로 저항합니다.
밀봉된 엔드 캡: 먼지와 오염물질의 유입을 효과적으로 방지하여 내부 베어링의 수명을 연장합니다.
정밀 볼 베어링: 롤러의 부드럽고 저소음, 저마찰 회전을 보장하여 뛰어난 회전 정확도를 제공합니다.
전체가 강철로 구성된 구조는 매우 높은 기계적 강도를 제공하므로 플라스틱 베어링 유닛보다 훨씬 더 큰 방사형 및 축방향 하중을 견딜 수 있습니다. 지속적으로 무거운 하중을 받거나 충격과 진동이 있는 불가피한 환경에서도 안정성을 유지하여 하우징 고장으로 인한 가동 중지 시간을 효과적으로 방지합니다.
견고한 강철 하우징과 정밀한 내부 볼 베어링 덕분에 더 무거운 하중을 처리하도록 설계되었습니다. 견고한 컨베이어 라인과 다양한 전동 롤러 적용 분야의 자재 취급 요구 사항을 손쉽게 충족하여 안정적인 지원을 제공합니다.
강철 소재는 플라스틱에 비해 온도 변화에 훨씬 덜 민감합니다. 주변 온도가 높거나 낮을 때 모두 안정적인 성능을 유지하며, 플라스틱 베어링이 부드러워지거나 부서지기 쉬운 다양한 극한 조건에 적합하여 장비 적용 범위가 확장됩니다.
이 베어링 유닛은 강철 롤러에 일반적으로 사용되는 두 가지 산업 사양과 완벽하게 호환되도록 세심하게 설계되어 유연한 구성 옵션을 제공합니다.
2D 도면

롤러 튜브 벽 두께와 일치하는 샤프트는 아래 사양 차트와 같습니다.
| 튜브 외경(mm) | 튜브 벽 두께 (mm) | 샤프트 직경 (mm) | 재료 |
| Φ50 | 1.2/1.5/2.0 | Φ12/Φ15 | 탄소강, 스테인레스 스틸 |
| Φ57 | 1.5/2.0/2.5 | Φ12/Φ15 | 탄소강, 스테인레스 스틸 |
참고: 다양한 설계 요구 사항을 충족하기 위해 다른 사양도 제공됩니다.
고강도 벨트 컨베이어, 롤러 컨베이어.
창고 및 물류 분류 시스템.
농업 기계, 인쇄 장비, 포장 기계.
고하중, 장수명 롤러를 요구하는 각종 산업장비
무게, 충격, 온도 등 응용 분야가 플라스틱 베어링의 한계를 초과하는 경우 스틸 베어링 유닛이 최적의 선택입니다. 이는 단순한 구성 요소가 아니라 장비의 지속적인 작동, 유지 관리 감소, 전반적인 신뢰성 향상**에 대한 투자입니다.
파괴할 수 없는 강력한 성능으로 핵심 장비를 강화하려면 지금 스틸 베어링 유닛을 선택하십시오!
참고 사항: 설치하기 전에 롤러 벽 두께가 충분한 지지 강도와 나사 결합을 보장하기 위한 요구 사항을 충족하는지 확인하십시오.
이미지


