BE120
RONWIN
HS Code: 8431390000
팔레트용 중/대형 외부 브레이크 롤러
브레이크 롤러라고도 알려진 중력 랙의 감속기/속도 컨트롤러는 로드 팔레트의 슬라이딩으로 인해 중력이 가속되는 것을 방지하고 랙에서 팔레트의 안정적이고 부드러운 이동을 제공하며 작업자와 상품의 안전을 보호합니다. 다양한 무게, 일정한 제동력, 유지 관리 및 에너지 사용에 맞춰 자체 조정됩니다.
우리는 지난 10년 동안 두 가지 유형의 브레이크 롤러(내부 및 외부)를 제공해 왔습니다. 다수의 프로젝트에서 우리는 중력 랙에 브레이크 롤러(속도 제어 장치)를 공급했습니다. 수년 동안 우리 고객들은 우리의 일관되고 신뢰할 수 있는 성과를 칭찬해 왔습니다.
우리는 고객 피드백과 현장 연구를 바탕으로 디자인과 구성 요소를 지속적으로 개선하고 있습니다. 우리는 200-1500 kgs 무게의 팔레트용 중형 및 무거운 버전뿐만 아니라 10-100 kgs 무게의 경량 모델도 제공할 수 있습니다.
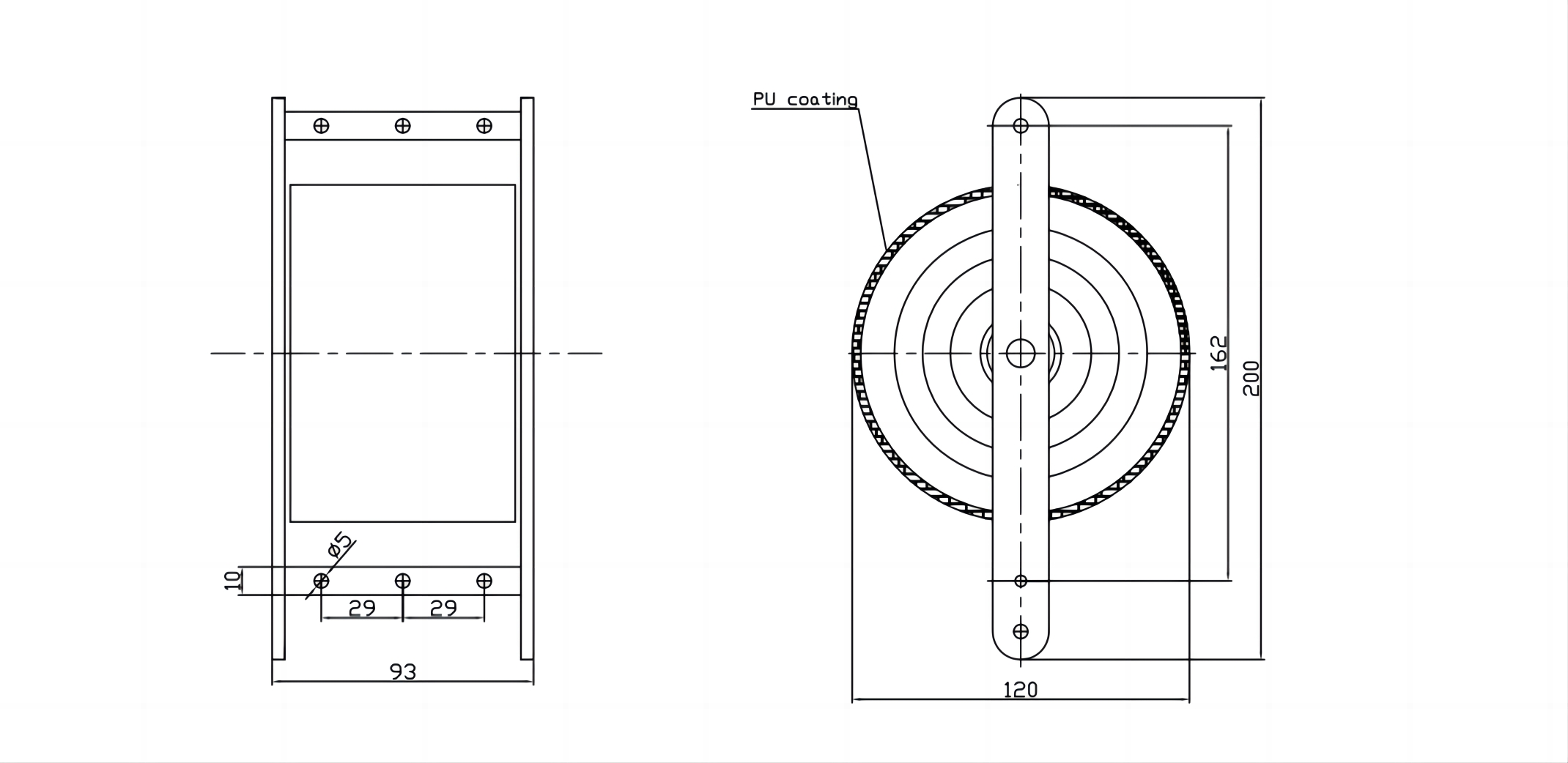
치수 및 사양

부속품

| 모델 | 물체 무게 |
| BE120/AA | 200-500kg |
| BE120/BA | 500-1000kg |
목재 팔레트, 플라스틱 팔레트, 작업 상자 등에 적합합니다.


애플리케이션
